Electroplated Diamond tools

HUNAN SUKAN ULTRA-HARD MATERIALS CO., LTD is the leading and professional manufacturer of electroplated diamond tools with more than 10 years experience. We supply standard and customed electroplated tools upon specifications of customers.
.SUKAN mainly produces the electroplated diamond tools such as: Diamond cutting disks”¢VANITY blade”¢Diamond profile wheel”¢grinding cover, Diamond core drills ”¢Diamond wire saw beads ”¢ Diamond grinding needles and grinding files, which are most suitable for processing hard and fragile materials, such as: hard alloy”¢glass”¢ceramics”¢gem”¢stone”¢semiconductor”¢metal”¢CBN£Øcubic boron nitride£©”¢sintered corundum. Electroplated diamond cutting tools are also suitable for processing aluminum copper lead and soft ferrous metal and alloy and rubber”¢resin”¢bakelite.


Electroplated Diamond Cutting Disks
SUKAN offers a wide range of electroplated diamond disks developed for the cutting different types of marble, granite, glass, fiberglass, concrete, refractory materials, brick or asphalt.
The disks are supplied with high cutting efficiency and precision at most competitive price.
The diameters are generally available from ?80mm to ?600mm, other specifications and specific diamond thickness are available upon request.
 

Electroplated Diamond VANITY blade
Electroplated Diamond VANITY blades feature both performance of cutting and grinding. They are designed for granite, marble, hard limestone, fiberglass and cemented boards, it can be electroplated in single sided and double sided , continuous rim or segmented rim ,as the specification and diamond size according to specific requirements.

Electroplated Diamond Core Drills
SUKAN Electroplated Diamond Drills have multiple layers of diamonds, not just 1 layer of diamonds like conventional electroplated drills, and they are the best tools to drill glass. Our Electroplated drills are provided longer drilling life, faster and freer drilling action, more consistent performance. The shape and diameter of the drills are available upon request.

Sintered Diamond Drill for Glass

Diamond drill for glass is sintered but not Electroplated, which make it highly efficient and well-wearable. It is the best choice for drilling glass. We can supply the diamond drill with various specifications upon your request.

Electroplated Diamond Grinding wheels
Electroplated Diamond Grinding wheels are used in edge grinding of stone Ӣfiberglass/glass, tile, and they can be made with various grinding surface shapes fully according to the specific requirement of customers. The specifications and diamond size are decided upon request.
Electroplated Diamond Grinding cover
Electroplated Diamond Grinding cover is designed for surface grinding of glassӢstoneӢdiamond and gem, and it gives the processed materials high precision from rough grinding to super finishing when chose different sizes of diamond.

 

Electroplated Diamond Needles and Files


Description
Cross-sections
Flat file
Half-round file
Square file
Triangular file
Round file
Pointed head flat file
Knife file
Single face triangular file
Double half round file
Oval file
 
Electroplated Diamond Wire Saw Beads

Electroplated Diamond Wire saws is used in the stone quarry industry, they also have been used in concrete demolishing work to cut reinforced concrete.
Electroplated Diamond wire saws are more efficient than circular saws, able to cut concrete with almost any thickness which makes them very useful for the kind of heavy demolition found in bridges, damns and thick concrete structures. In addition, they create little dust, noise and vibration, making them ideal for demolition work within inhabited structures.

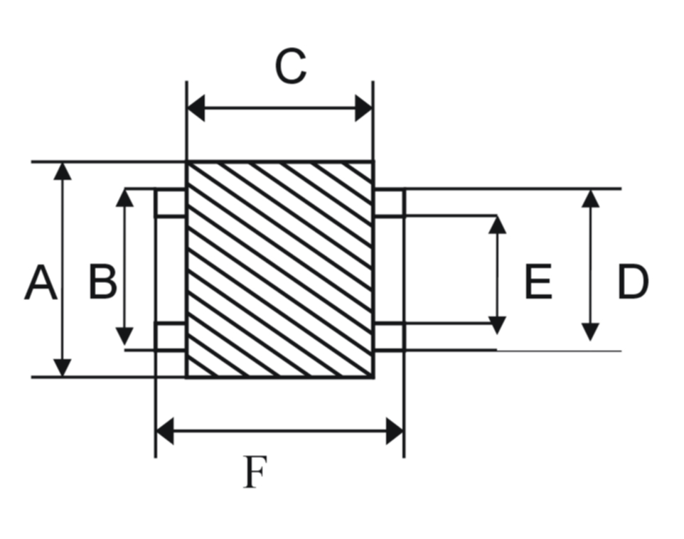
Bead
Electroplated Bead Dimension
Support Characteristics
Steel Wire
StoneKind
A
B
C
D
E
F
Ext.Diam
Int.Diam
Length
Ext.Diam Int.Diam
Length
Diam
Reference
mm
mm
mm
mm
mm
mm
mm
Middle-hard
G/M-8.2
8.2
6.0
6.0
6.0
4.1
10.5
3.9
Middle-hard
G/M-8.8
8.8
6.6
6.0
6.6
5.1
10.5
4.9
Middle-hard
G/M-10.0
10.0
7.5
6.0
7.5
5.1
10.5
4.9
Middle-hard
G/M-11.0
11.0
8.0
6.0
8.0
5.1
11.0
4.9
Middle-hard
G/M-11.0
11.0
8.0
6.0
8.0
5.1
11.0
4.9
Marble quarrying
QG-11.4
11.4
8.0
6.0
8.0
5.1
11.0
4.9
Granite quarrying
Note:
”±G”± is for granite cutting plastic mounted
”°M”± is for marble cutting plastic mounted
”°QG”± is for granite quarrying plastic mounted
”°QM”± is for marble quarrying plastic mounted

 

Electroplated Diamond Internal cutting disks
Electroplated diamond internal cutting disks can be used to cut SILICON material such as Semi-conductor, and gemstone.
Item
D(mm)
D1(mm)
T(mm)
E(mm)
Circle holes
Applications
S99A-206
¦µ246
¦µ83
0.23-0.36
0.10
18
Gem stone
S99A-246
¦µ246
¦µ83
0.10
18/22/26/40
Gem stone
S99A-246
¦µ246
¦µ91
0.10
18/22/26/40
Gem stone
S99A-271
¦µ271
¦µ91
0.10
18/40
Gem stone
S99B-380
¦µ380
¦µ130
0.28-0.36
0.12
34
Gem crystalӢceramics
S99B-422
¦µ422
¦µ130
0.12
39
Gem crystalӢceramics
S99B-422
¦µ422
¦µ153
0.12
39
Gem crystalӢceramics
S99B-422
¦µ422
¦µ184
0.12
39
Gem crystalӢceramics
S99B-434
¦µ434
¦µ153
0.12
39
Gem crystalӢceramics
S99B-546
¦µ546
¦µ184
0.15
51
Gem crystalӢceramics
S99B-558
¦µ598
¦µ184
0.15
48
Gem crystalӢceramics
S99B-558
¦µ598
¦µ203
0.15
48
Gem crystalӢceramics
S99B-597
¦µ597
¦µ203
0.15
48
Gem crystalӢceramics
S99B-690
¦µ690
¦µ235
0.31-0.38
0.15
63/78
Gem crystalӢceramics
S99B-690
¦µ690
¦µ257
0.15
63/78
Gem crystalӢceramics
S99B-860
¦µ860
¦µ305
0.17
75
 
Because diamond Electroplated tools can complete the performance that other types of diamond tools can not finish, innovative diamond electroplated tools must have very large potential market in the world.